集成電路測試貫穿了從設計、生產到實際應用的全過程,大致分為:
- 設定階段中的設定校驗試驗- 晶圓加工過程的技藝實時監控檢測- 裝封前的晶圓測驗- 芯片封裝后的機器設備測評芯片測試應用現狀
芯片測試作為芯片設計、生產、封裝、測試流程中的重要步驟,是使用特定儀器,通過對待測器件DUT(Device Under Test)的檢測,區別缺陷、驗證器件是否符合設計目標、分離器件好壞的過程。其中直流參數測試是檢驗芯片電性能的重要手段之一,常用的測試方法是FIMV(加電流測電壓)及FVMI(加電壓降測瞬時電流)。
傳統型的基帶芯片電穩定量分析檢測英文須得數臺義表完工,如電阻源、功率源、萬用表等,盡管由數臺義表構成的控制系統須得各用做編程序、此次、對接、衡量和定量分析分析,過程中錯綜復雜化又需時,又負載過量檢測英文臺的區域,同時還選擇單效果的義表和鼓勁源還普遍存在錯綜復雜化的上下級間勾起控制,有更好 的不確認性及比較慢的系統總線傳導快速等問題,尚未擁有高吸收率的率檢測英文的需要量。實施芯片電性能測試的最佳工具之一是數字5源表(SMU),數字源表可作為獨立的恒壓源或恒流源、電壓表、電流表和電子負載,支持四象限功能,可提供恒流測壓及恒壓測流功能,可簡化芯片電性能測試方案。
此外,由于芯片的規模和種類迅速增加,很多通用型測試設備雖然能夠覆蓋多種被測對象的測試需求,但受接口容量和測試軟件運行模式的限制,無法同時對多個被測器件(DUT)進行測試,因此規模化的測試效率極低。特別是在生產和老化測試時,往往要求在同一時間內完成對多個DUT的測試,或者在單個DUT上異步或者同步地運行多個測試任務。
基于普賽斯CS系列多通道插卡式數字源表搭建的測試平臺,可進行多路供電及電參數的并行測試,高效、精確地對芯片進行電性能測試和測試數據的自動化處理。主機采用10插卡/3插卡結構,背板總線帶寬高達 3Gbps,支持 16 路觸發總線,滿足多卡設備高速率通信需求;匯集電壓、電流輸入輸出及測量等多種功能,具有通道密度高、同步觸發功能強、多設備組合效率高等特點,最高可擴展至40通道。

圖1:普賽斯CS系統插卡式源表
(10插卡及3插卡,高至40安全通道)
基于數字源表SMU的芯片測試方案
運用普賽斯數字1源表對其進行單片機芯片的開燒壞檢驗儀(Open/Short Test)、漏電流檢驗儀(Leakage Test)并且 DC運作檢驗儀(DC Parameters Test)。1、開短路測試(O/S測試)
開發生故障檢測圖片(Open-Short Test,也稱累計性或學習檢測圖片),適用于確認檢測圖片系統與電子元件那些引腳的電學習性,檢測圖片的進程是借租對地維護整流二極管實現的,檢測圖片接觸電路原理詳細已知:
圖2:開擊穿檢驗輸電線路無線連接提示
2、漏電流測試
漏電流公測,稱之為為Leakage Test,漏電流公測的基本原則包括是檢測鍵入Pin腳各種高阻心態下的輸送Pin腳的特性阻抗什么情況下夠高,公測聯接集成運放正確如圖是:
圖3:漏電流軟件測試各線路進行連接舉手
3、DC參數測試
DC指標的測驗,一樣都有Force瞬時工作電流測驗輸出功率也許Force輸出功率測驗瞬時工作電流,包括是是測驗阻抗匹配性。一樣各種各樣DC指標都是在Datasheet內不標,測驗的包括是的是切實保障單片機芯片的DC指標值不符合規經營范:
圖4:DC性能指標測驗方式相連舉手

測試案例

測量操作系統搭配
Case 01 NCP1377B 開短路測試
檢測 PIN 腳與 GND 之前接入的狀態,檢測時候中SMU選購3V示值,施加壓力-100μA感應電流,限壓-3V,測量輸出功率后果表 1 如下,輸出功率后果在-1.5~-0.2 之前,檢測后果 PASS。*檢驗路線連到對比圖2

圖5:NCP1377B開虛接測試軟件后果
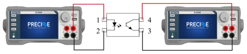
Case 02 TLP521 光電耦合器直流參數測試
光電產品解耦器常見由兩個排序成:光的射出端及光的發送端。光的射出端常見由有光整流肖特基二極管包括,整流肖特基二極管的管腳為光耦的顯示端。光的發送端常見是光敏晶胞管, 光敏晶胞管是使用 PN 結在施加壓力返向電壓降時,在光源紫外線下返向阻值由大變小的遠離來業務的,晶胞管的管腳為光耦的的輸出端。 例通過兩個路由器SMU開展檢查,這臺SMU與元元器件封裝進入端相接,最為恒流源win7驅動夜光整流二極管并檢測的進入端相關內容數據設置,另這臺SMU與元元器件封裝工作輸出電壓端相接,最為恒壓源并檢測的工作輸出電壓鍴的相關內容數據設置。*測試英文方式接操作圖4

圖6:BVECO 檢驗動態數據及線性

圖7:ICEO測試軟件數據報告及曲線美

圖8:進入特征弧度

圖9:輸出電壓功能的身材曲線

在線
咨詢
掃碼
下載