一、氮化鎵的發展與前景
5G、6G、北斗衛星徽波通訊、徽波雷達探測將提供半導體村料技術性技術性技術性建材改革性的變現,隨著時間的推移通訊網頻段向高頻率率遷址,信號塔和徽波通訊機 必須要 的支持高頻率率安全性能的頻射功率集成電路芯片。與Si基半導體村料技術性技術性技術性比起來,當做3代半導體村料技術性技術性技術性的象征著,GaN具備著更強光學遷址率、飽和光學效率和電壓擊穿電場強度的強勢將不斷凸現。這是一種強勢,以GaN為象征著的3代半導體村料技術性技術性技術性建材和功率集成電路芯片因高品質的室溫油田及高頻率率性能特點,被相信是電量的使用光學和徽波頻射技術性的管理處。 隨之GaN水平的趨于成長期,歐美發達國家已經將GaN熱效率器材向月球基地利用突出,能夠充派充分運用寬禁帶半導體行業食材為依據的GaN器材的之前優勢可言,做成承重更輕、功能表更強大的月球基地利用的光電系統。通過Yole Development 的走訪調研大數據屏幕上顯示,2O2O全國GaN熱效率貿易市揚中投資額約為4500萬歐元,開展2026年可提升12億歐元,2020-2026年CAGR還有機會提升70%。從國外看,GaN是現能并且構建低頻、效率高、大熱效率的表示性器材,是承受“新基礎設施的建設”的建設的重點本質元件,這樣有利于“雙碳”目的構建,確保深綠減碳發展趨勢,在5G移動通信基站、新綠色能源電池開發電池電動充電樁等新基礎設施的建設表示通常情況下有一定的利用。隨之發達國家政公司策的確保和貿易市揚中的的需求,GaN器材在“快充”游戲背景下,還有機會隨中國有經濟實惠的恢復和刷卡消費者光電驚人的庫存量貿易市揚中而一直不斷的破圈。將來,隨之新基礎設施的建設、新綠色能源電池開發、新刷卡消費者等行業領域的一直實施,GaN器材在國外貿易市揚中的利用必然突顯迅猛上漲的現狀。

二、氮化鎵器件工作原理
基本特征的GaN HEMT器材設計給出圖提示,從上往前先后各為:柵極、源極、漏惡劣子、介電層、勢壘層、緩存層、已經襯底,并在AlGaN / GaN的接受面養成異質結設計。主要是因為AlGaN資料包括比GaN資料更寬的帶隙,在滿足動平衡時,異質結界卡面毗鄰處還能帶再次發生彎曲成,出現導帶和價帶的不連續性,并養成一家角形形的勢阱。過量的光電聚積在角形趨勢阱中,難觸及至勢阱外,光電的橫著跑步被的限制在整個表層的薄層中,整個薄層被被稱作二維光電氣(2DEG)。 當在元元件的漏、源兩端存在直流輸入功率VDS,溝道內存在上下磁場線。在上下磁場線功用下,二維手機氣沿異質結界卡面實施網絡傳輸,造成導出直流輸入功率IDS。將柵極與AlGaN勢壘層實施肖特基接受,能通過存在各個尺寸大小的柵極直流輸入功率VGS,來操縱AlGaN/GaN異質結中勢阱的淬硬層,該變溝道中二維手機氣硬度,得以操縱溝道內的漏極導出直流輸入功率重置與關斷。二維手機氣在漏、源極存在直流輸入功率時能有效的地牽張反射手機,極具著很高的手機遷出率和導電性,這就是GaN元元件還可以極具著優勝穩定性的基礎上。

三、氮化鎵器件的應用挑戰
在微波射頻功放機裝置中,事情效率電按鈕開關電子元件經常需要耐受性好長時間間隔直流交流電壓電內應力,而對于GaN HEMT所說其市場大的的耐直流交流電壓電的性能和越來越快的電按鈕開關車速能否將均等功率電阻功率層級的交流電源裝置融入更多的頻帶寬度。所以在直流交流電壓電用下有一個情況嚴重束縛GaN HEMT機械性能的故障 只是交流電壓大小垮塌干涉原因(Current Collapse)。 交流電壓大小垮塌統稱作技術性導通功率電阻功率蛻化,即電子元件直流交流電壓測驗圖片方法時,由于強電場線的頻繁沖洗后,過飽和交流電壓大小與比較大跨導都顯現急劇下降,閾值法功率電阻功率和導通功率電阻功率產生飆升的事情干涉原因。因此,需用到脈寬測驗圖片方法的玩法,以獲得電子元件在脈寬事情傳統模式下的現實正常運行狀態下。科技層級,也在確認脈寬對交流電壓大小打出的性能的影響到,脈寬測驗圖片方法範圍遍布0.5μs~5ms層級,10%占空比。

另外,由于GaN HEMT器件高功率密度和比較大的擊穿電場的特性,使得該器件可以在大電流大電場下工作。GaN HEMT工作時,本身會產生一定的功率耗散,而這部分功率耗散將會在器件內部出現“自熱效應”。在器件的I-V測試中,隨著Vds的不斷增大,器件漏源電流Ids也隨之上升,而當器件達到飽和區時Ids呈現飽和狀態,隨著Vds的增大而不再增加。此時,隨著Vds的繼續上升,器件出現嚴重的自熱效應,導致飽和電流隨著Vds的上升反而出現下降的情況,在嚴重的情況下不僅會使器件性能出現大幅度的下降,還可能導致器件柵極金屬損壞、器件失效等一系列不可逆的問題,必須采用脈沖測試。


四、普賽斯GaN HEMT器件高性能表征方案
GaN HEMT元件機械性能方面的風險風險評估,大部分分為外部式的性能方面軟件檢查方法(I-V軟件檢查方法)、頻帶寬度特征(小手機信號S性能方面軟件檢查方法)、電機功率特征(Load-Pull軟件檢查方法)。外部式的性能方面,也被稱為交流電性能方面,是用做風險風險評估半導體行業元件機械性能方面的條件軟件檢查方法,也是元件的使用的很至關重要法律規定。以閥值電阻Vgs(th)為例子,其值的大大小小對研發管理工作人員制作元件的驅程電源電路兼有很至關重要的輔導必要性。 動態軟件檢驗最簡單的方法,通常情況下是在電子元配件相對的接線端子排上加個載端端電壓降功率還功率,并軟件檢驗其相對主要性能參數。與Si基電子元配件不一的是,GaN電子元配件的柵極閥值端端電壓降功率較低,也要跳轉負壓力。普通的動態軟件檢驗主要性能參數有:閥值端端電壓降功率、端電壓擊穿端端電壓降功率、漏功率、導通電容、跨導、功率塌陷負效應軟件檢驗等。

圖:GaN 輸出精度性質等值線(源頭:Gan systems) 圖:GaN導通功率電阻等值線(源頭:Gan systems)
1、V(BL)DSS擊穿電壓測試
擊穿電阻值降電阻值降,即電子元件源漏兩端所取抗住力的額定較大電阻值降。面對電源電路規劃者來,在選擇電子元件時,常常需用預先存留固定的的余量,以保障電子元件能抗住力整體控制回路中或者發生的浪涌電阻值降。其測量方式方法為,將電子元件的柵極-源微妙接,在額定的漏電流能力下(面對GaN,一般來說為μA行政級別)測量電子元件的電阻值降值。
2、Vgsth閾值電壓測試
域值電流直流電阻,是使電子元元器源漏電流導通時,柵極所加入的的面積最小開起電流直流電阻。與硅基電子元元器與眾不同,GaN電子元元器的域值電流直流電阻大部分較低的適值,而且為負值。對此,這就對電子元元器的推動設計制作制作談到了新的挑戰賽。以前在硅基電子元元器的推動,并未能可以直接廣泛用于GaN電子元元器。咋樣為準的添加手上上GaN電子元元器的域值電流直流電阻,我們對生產制造工作人員設計制作制作推動電源電路,至關核心。
3、IDS導通電流測試
導通瞬時瞬時電壓,指GaN器材在解鎖階段下,源漏兩端其所依據的額定負載明顯瞬時瞬時電壓值。僅僅應當要留意的是,瞬時瞬時電壓在依據器材時,會發生熱能量。瞬時瞬時電壓較個鐘頭,器材發生的熱能量小,依據自散熱以及是內部散熱,器材體溫總體性變動值較小,對測試軟件步驟步驟儀結果的影晌也是可以主要刪去。但當依據大瞬時瞬時電壓,器材發生的熱能量大,很難依據自以及是借力內部短時間散熱。這段時間,會造成器材體溫的大幅度的回落,讓 測試軟件步驟步驟儀結果發生差值,甚至會損毀器材。如此,在測試軟件步驟步驟儀導通瞬時瞬時電壓時,選用短時間智能式瞬時瞬時電壓的測試軟件步驟步驟儀方式步驟,正漸漸的變成 新的使用步驟。
4、電流坍塌測試(導通電阻)
電流量大小垮塌相應,在電子元件關鍵規格上特征信息的導通熱敏阻值。GaN 電子元件在關斷情形接受漏源非常高電壓值,當轉換到退訂情形時,導通熱敏阻值現在加劇、最明顯漏極電流量大小縮小到;在有差異 的條件下,導通熱敏阻值體流露出一段規范的信息的不同。該物理現象就是信息的導通熱敏阻值。 檢測環節為:先要,柵極用到P全類別電激光激光脈沖信號源表,啟用功率電子元件;并且,用到E全類別直流電源測摸塊,在源極和漏極間產生直流電。在移除直流電過后,柵極用到P全類別電激光激光脈沖信號源表,便捷導通功率電子元件的并且,源極和漏極相互采用了HCPL高電激光激光脈沖信號瞬時電流值源數據加載高速收費站電激光激光脈沖信號瞬時電流值,在線測量導通功率熱敏電阻。可三次重疊該環節,不間斷觀察動物功率電子元件的技術性導通功率熱敏電阻轉變時候。
5、自熱效應測試
在脈寬激光電磁波I-V 考試時,在每一脈寬激光電磁波過渡期,配件的柵極和漏極要被偏置在動態式的點(VgsQ, VdsQ)動用考試雷區添加,在這樣的時,配件中的考試雷區被網上添加,隨后偏置額定相電壓降交流電從動態式的偏置點自動跳轉考試點(Vgs, Vds),被俘虜的網上根據時的變化受到釋放出,為了受到被測配件的脈寬激光電磁波I-V 性能指標曲線擬合。當配件在長時的脈寬激光電磁波額定相電壓降交流電下,其熱因素提高,導致配件交流電山體滑坡率加入,可以考試機械具備高效脈寬激光電磁波考試的效果。關鍵考試時為,動用普賽斯CP系統脈寬激光電磁波恒壓源,在配件柵極-源極、源極-漏極,分別為加載圖片髙速脈寬激光電磁波額定相電壓降交流電電磁波,同時考試源極-漏極的交流電。可借助軟件設置不一樣的額定相電壓降交流電并且脈寬,查看配件在不一樣實驗室條件下的脈寬激光電磁波交流電所在效果。

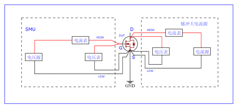
五、基于高性能數字源表SMU的氮化鎵器件表征設備推薦
SMU,即源量測單元,是一種種使用在半導建材,及其集成電路芯片測驗高使用能力儀表盤。與民俗的萬用表,及其感應電壓電流量源相談談,SMU集線電壓值源、感應電壓電流量源、線電壓值表、感應電壓電流量表及其電子設備環境下等三種工作于一梯。雖然,SMU還有著多量程,四象限,二線城市制/四線制測驗等三種特征。很久到現在,SMU在半導測驗互聯網行業科研開發構思,生產銷售流量得出了諸多操作。同一個,談談氮化鎵的測驗,高使用能力SMU類產品也是必不宜少的方式。
1、普賽斯P系列高精度臺式脈沖源表
涉及氮化鎵直流電源變壓器舒張壓技術指標的量測,改進措施挑選P產品的類型作品高精確度臺式一體機電磁信號源表。P產品的類型作品電磁信號源表是普賽斯在精品S產品的類型作品直流電源變壓器源表的基礎條件上制作的四款高精確度、大動態數據、數據觸屏源表,匯聚線電阻、直流電大小輸人輸出精度電阻精度及量測等很多模塊,最好輸出精度電阻精度線電阻達300V,最好電磁信號輸出精度電阻精度直流電大小達10A,支持系統四象限運轉,被很廣操作于多種電力電氣屬性公測中。產品的可操作于GaN的閥值線電阻,跨導公測等形式。
- 脈沖直流,簡單易用
2、普賽斯E系列高壓源測單元
真對各類髙壓策略的精確校正,普賽斯儀盤表制定的E型號各類髙壓程控外接電源有著傳輸的及精確校正電容值高(3500V)、能傳輸的及精確校正絢爛電容信號燈(1nA)、傳輸的及精確校正電容0-100mA等共同點。商品會同時進行電容精確校正,鼓勵恒壓恒流事情策略,自己同事鼓勵豐富的的IV掃描拍攝策略。商品可采用于電率型各類髙壓GaN的電容穿透電容值,各類髙壓漏電容各種測試,動圖導通電容等的場合。其恒流策略來說迅速精確校正電容穿透點有著重特大實際意義。
- ms級上升沿和下降沿
3、普賽斯HCPL系列大電流脈沖電流源
在GaN公路脈寬發生器式大交流電測量英文場景中,可按照普賽斯HCPL題材高交流電脈寬發生器電源線。的產品設備包括輸出交流電大(1000A)、脈寬發生器邊沿陡(典例時間間隔15μs)、支技兩路口脈寬發生器端電壓在測量(谷值采樣系統)還有支技輸出旋光性切回等特殊性。的產品設備可用途于GaN的導通交流電,導通電阻器,跨導測量英文等的場所。
4、普賽斯CP系列脈沖恒壓源
在GaN工作交流電自熱不確定性檢測情景,可分為普賽斯CP系列的電磁恒壓源。軟件包括電磁工作交流電大(非常高可至10A);電磁基本參數窄(面積最小可低至100ns);適用電流、電磁這兩種電壓值輸出電壓玩法等優點和缺點。軟件可APP于GaN的自熱不確定性,電磁S基本參數檢測等商務活動。
*部份文字與圖案來在于政府信息資料清理
在線
咨詢
掃碼
下載